Nieuw wachtwoord instellen
Stuur je e-mailadres en je ontvangt binnen enkele minuten een link waarmee je een nieuw wachtwoord kunt instellen.
BMW onderdelen
Audi onderdelen
Opel onderdelen
Mercedes onderdelen
Volvo onderdelen
Volkswagen onderdelen
Varta onderdelen
Van Wezel onderdelen
Bosch onderdelen
Febi Bilstein onderdelen
Kroon Oil onderdelen
Maxgear onderdelen
Let op! Je hebt nog geen auto geselecteerd. Vul je kenteken in of selecteer handmatig om te tonen of dit product geschikt is voor jouw auto.
Zet op wensenlijst Artikel is toegevoegd aan je wensenlijst
Dit artikel is geschikt voor de volgende voertuigen
Vul hieronder het aantal in dat je wilt bestellen en klik op doorgaan
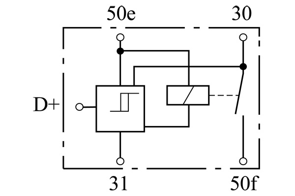
Relais startonderbreker Bosch 0 331 802 100 is tijdelijk uitverkocht. Ontvang een e-mailbericht zodra dit product weer leverbaar is.
Selecteer je auto type om alleen onderdelen te tonen die geschikt zijn voor jouw auto.